Page 2770 - RF Attenuator Datasheets
P. 2770

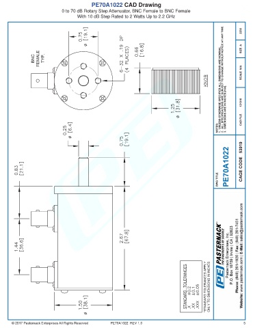
PE70A1022 CAD Drawing
                               0 to 70 dB Rotary Step Attenuator, BNC Female to BNC Female
                                      With 10 dB Step Rated to 2 Watts Up to 2.2 GHz



























































































                                                       PE70A1022  REV 1.0                                              5
   2765   2766   2767   2768   2769   2770   2771   2772   2773   2774   2775