Page 2776 - RF Attenuator Datasheets
P. 2776

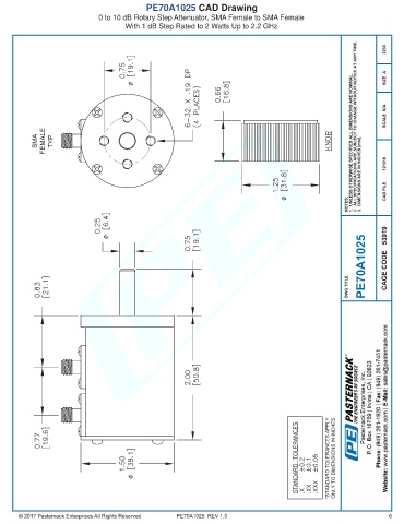
PE70A1025 CAD Drawing
                               0 to 10 dB Rotary Step Attenuator, SMA Female to SMA Female
                                       With 1 dB Step Rated to 2 Watts Up to 2.2 GHz



























































































                                                       PE70A1025  REV 1.0                                              6
   2771   2772   2773   2774   2775   2776   2777   2778   2779   2780   2781