Page 1288 - 1.0/2.3 to SHV RF Connector Datasheets
P. 1288

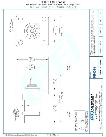
PE4010 CAD Drawing
                               BNC Female Connector Solder Attachment 4 Hole Flange Mount
                                   Solder Cup Terminal, .500 inch Threaded Hole Spacing



























































































                                                        PE4010  REV 1.3                                                3
   1283   1284   1285   1286   1287   1288   1289   1290   1291   1292   1293