Page 1444 - 1.0/2.3 to SHV RF Connector Datasheets
P. 1444
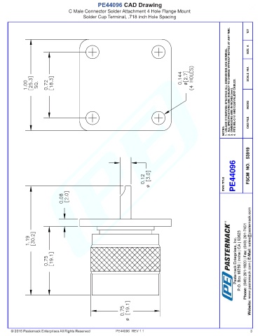
PE44096 CAD Drawing
C Male Connector Solder Attachment 4 Hole Flange Mount
Solder Cup Terminal, .718 inch Hole Spacing
2. ALL SPECIFICATIONS ARE SUBJECT TO CHANGE WITHOUT NOTICE AT ANY TIME.
127
SIZE A
1. UNLESS OTHERWISE SPECIFIED ALL DIMENSIONS ARE NOMINAL.
SCALE N/A
3. DIMENSIONS ARE IN INCHES [mm]. 4. FITS MIL-C-17 AND EQUIVALENT CABLES. 062303
NOTES: CAD FILE
PE44096 FSCM NO. 53919
DWG TITLE
PE44096 REV 1.1 3

