Page 1864 - 1.0/2.3 to SHV RF Connector Datasheets
P. 1864
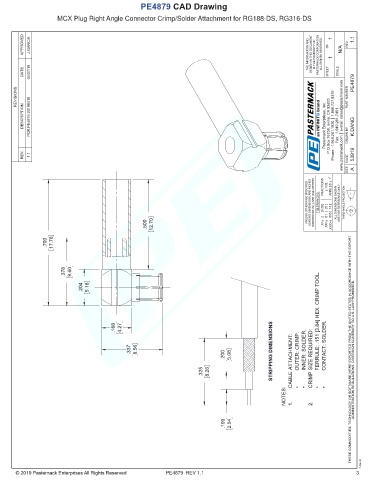
PE4879 CAD Drawing
MCX Plug Right Angle Connector Crimp/Solder Attachment for RG188-DS, RG316-DS
APPROVED J.GARCIA THE INFORMATION AND DESIGN IN THIS DOCUMENT IS THE PROPERTY OF PASTERNACK CORPORATION. ALL RIGHTS RESERVED. 1 1 N/A REV 1.1
DATE 04/27/19 SHEET OF SCALE PE4879
REVISIONS PART NUMBER
DESCRIPTION PCR PE4879 20190418 Pasternack Enterprises, Inc. P.O.Box 16759, Irvine, CA 92623. Phone: 1.949.261.1920 │ 1.866.727.8376 Fax: 1.949.261.7451 www.pasternack.com │ e-mail: sales@pasternack.com DRAWN BY K.DANG
REV. 1.1 CAGE SIZE 53919 A
UNLESS OTHERWISE SPECIFIED LEADING DIMENSIONS ARE INCHES DIMENSIONS IN [ ] ARE MILLIMETERS TOLERANCES: FRACTIONS ± 1/32 ANGLES ± 1° ALL DIMENSIONS SHOWN ARE FOR REFERENCE ONLY. THIRD-ANGLE PROJECTION
.2 [5.08] .01 [ .25 ] .005 [ .13 ]
.500 12.70 .X=± .XX=± .XXX=±
.700 17.78
.378 9.60
.204 5.18
FERRULE: .151 [3.84] HEX. CRIMP TOOL.
.168 4.27
.337 8.56 STRIPPING DIMENSIONS OUTER: CRIMP. INNER: SOLDER. CONTACT: SOLDER. THESE COMMODITIES, TECHNOLOGY OR SOFTWARE WERE EXPORTED FROM THE UNITED STATES IN ACCORDANCE WITH THE EXPORT ADMINISTRATION REGULATIONS. DIVERSION CONTRARY TO U.S. LAW PROHIBITED.
.200 5.08 CABLE ATTACHMENT: CRIMP SIZE REQUIRED:
.325 8.26
• • • •
NOTES: 1. 2.
.100 2.54 -
Pasternack does not make
any representation or warranty regarding the suitability of the part described herein for any particular purpose, and Pasternack does not assume any liability arising out of the use of any part or documentation.
T-Rev.B
PE4879 REV 1.1 3

