Page 1931 - 1.0/2.3 to SHV RF Connector Datasheets
P. 1931

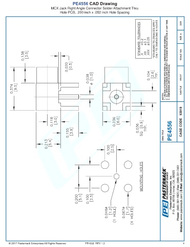
PE4556 CAD Drawing
                                  MCX Jack Right Angle Connector Solder Attachment Thru
                                        Hole PCB, .200 inch x .052 inch Hole Spacing



























































































                                                        PE4556  REV 1.3                                                4
   1926   1927   1928   1929   1930   1931   1932   1933   1934   1935   1936