Page 2109 - 1.0/2.3 to SHV RF Connector Datasheets
P. 2109
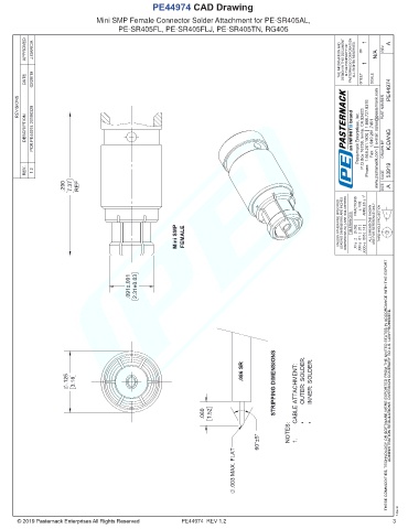
PE44974 CAD Drawing
Mini SMP Female Connector Solder Attachment for PE-SR405AL,
PE-SR405FL, PE-SR405FLJ, PE-SR405TN, RG405
APPROVED J.GARCIA THE INFORMATION AND DESIGN IN THIS DOCUMENT IS THE PROPERTY OF PASTERNACK CORPORATION. ALL RIGHTS RESERVED. 1 1 N/A REV A
DATE 03/29/19 SHEET OF SCALE PE44974
REVISIONS PART NUMBER
DESCRIPTION PCR PE44974 20190329 Pasternack Enterprises, Inc. P.O.Box 16759, Irvine, CA 92623. Phone: 1.949.261.1920 │ 1.866.727.8376 Fax: 1.949.261.7451 www.pasternack.com │ e-mail: sales@pasternack.com DRAWN BY K.DANG
REV. 1.2 CAGE 53919
.290 7.37 REF SIZE A
UNLESS OTHERWISE SPECIFIED LEADING DIMENSIONS ARE INCHES DIMENSIONS IN [ ] ARE MILLIMETERS TOLERANCES: FRACTIONS ± 1/32 ANGLES ± 1° ALL DIMENSIONS SHOWN ARE FOR REFERENCE ONLY. THIRD-ANGLE PROJECTION
Mini SMP FEMALE .2 [5.08] .X=± .01 [ .25 ] .XX=± .005 [ .13 ] .XXX=±
.091±.001 2.31±0.03
.086 SR
.125 3.18 STRIPPING DIMENSIONS OUTER: SOLDER. INNER: SOLDER. THESE COMMODITIES, TECHNOLOGY OR SOFTWARE WERE EXPORTED FROM THE UNITED STATES IN ACCORDANCE WITH THE EXPORT ADMINISTRATION REGULATIONS. DIVERSION CONTRARY TO U.S. LAW PROHIBITED.
CABLE ATTACHMENT:
.060 1.52
• •
60°±5° NOTES: 1.
.003 MAX. FLAT -
Pasternack does not make
any representation or warranty regarding the suitability of the part described herein for any particular purpose, and Pasternack does not assume any liability arising out of the use of any part or documentation.
T-Rev.B
PE44974 REV 1.2 3

