Page 2247 - 1.0/2.3 to SHV RF Connector Datasheets
P. 2247

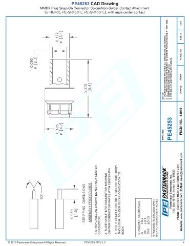
PE45253 CAD Drawing
                           MMBX Plug Snap-On Connector Solder/Non-Solder Contact Attachment
                              for RG405, PE-SR405FL, PE-SR405FLJ, with male center contact



























































































                                                       PE45253  REV 1.0                                                4
   2242   2243   2244   2245   2246   2247   2248   2249   2250   2251   2252