Page 3550 - RF Adapter Datasheets
P. 3550
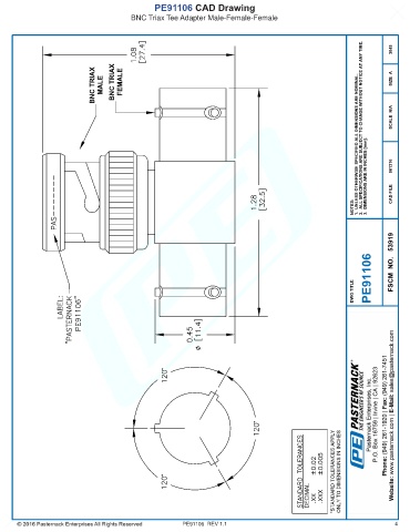
PE91106 CAD Drawing
BNC Triax Tee Adapter Male-Female-Female
2. ALL SPECIFICATIONS ARE SUBJECT TO CHANGE WITHOUT NOTICE AT ANY TIME.
3045
BNC TRIAX MALE BNC TRIAX FEMALE SIZE A
1. UNLESS OTHERWISE SPECIFIED ALL DIMENSIONS ARE NOMINAL.
SCALE N/A
3. DIMENSIONS ARE IN INCHES [mm]. 061316
NOTES: CAD FILE
PE91106 FSCM NO. 53919
DWG TITLE
*STANDARD TOLERANCES APPLY ONLY TO DIMENSIONS IN INCHES
PE91106 REV 1.1 4

