Page 1347 - BNC to N RF Cable Assembly Datasheets
P. 1347

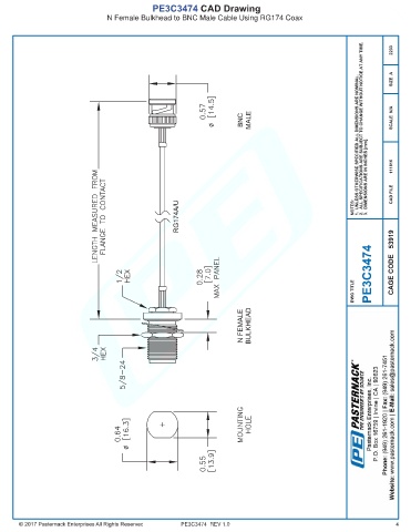
PE3C3474 CAD Drawing
                                 N Female Bulkhead to BNC Male Cable Using RG174 Coax





























































































                                                       PE3C3474  REV 1.0                                               4
   1342   1343   1344   1345   1346   1347   1348   1349   1350   1351   1352