Page 1503 - 1.0/2.3 to SHV RF Connector Datasheets
P. 1503

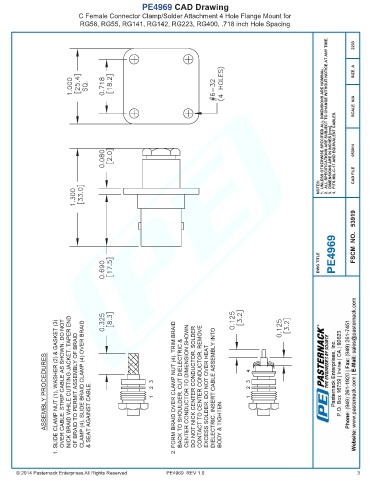
PE4969 CAD Drawing
                           C Female Connector Clamp/Solder Attachment 4 Hole Flange Mount for
                           RG58, RG55, RG141, RG142, RG223, RG400, .718 inch Hole Spacing



























































































      © 2014 Pasternack Enterprises All Rights Reserved  PE4969  REV 1.0                                               3
   1498   1499   1500   1501   1502   1503   1504   1505   1506   1507   1508