Page 2054 - 1.0/2.3 to SHV RF Connector Datasheets
P. 2054

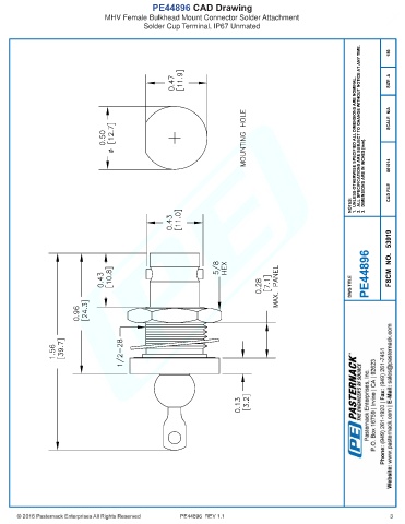
PE44896 CAD Drawing
                                 MHV Female Bulkhead Mount Connector Solder Attachment
                                            Solder Cup Terminal, IP67 Unmated



























































































                                                       PE44896  REV 1.1                                                3
   2049   2050   2051   2052   2053   2054   2055   2056   2057   2058   2059