Page 2081 - 1.0/2.3 to SHV RF Connector Datasheets
P. 2081
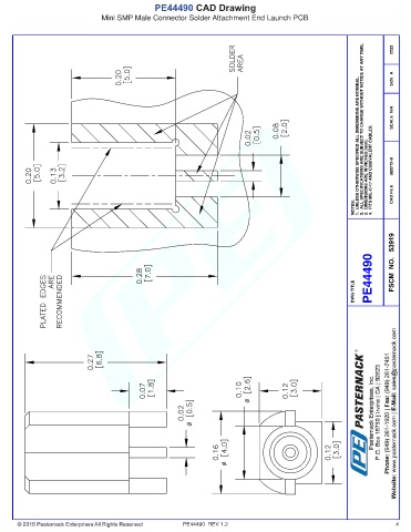
PE44490 CAD Drawing
Mini SMP Male Connector Solder Attachment End Launch PCB
2. ALL SPECIFICATIONS ARE SUBJECT TO CHANGE WITHOUT NOTICE AT ANY TIME.
2233
SIZE A
1. UNLESS OTHERWISE SPECIFIED ALL DIMENSIONS ARE NOMINAL.
SCALE N/A
3. DIMENSIONS ARE IN INCHES [mm]. 4. FITS MIL-C-17 AND EQUIVALENT CABLES. 080212-B
NOTES: CAD FILE
PE44490 FSCM NO. 53919
DWG TITLE
PE44490 REV 1.2 4

