Page 2148 - 1.0/2.3 to SHV RF Connector Datasheets
P. 2148
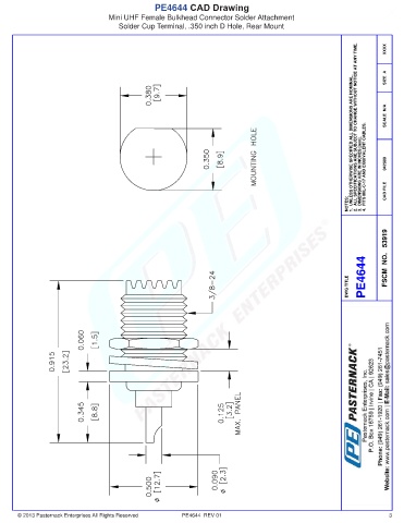
PE4644 CAD Drawing
Mini UHF Female Bulkhead Connector Solder Attachment
Solder Cup Terminal, .350 inch D Hole, Rear Mount
2. ALL SPECIFICATIONS ARE SUBJECT TO CHANGE WITHOUT NOTICE AT ANY TIME.
XXXX
SIZE A
1. UNLESS OTHERWISE SPECIFIED ALL DIMENSIONS ARE NOMINAL.
SCALE N/A
3. DIMENSIONS ARE IN INCHES [mm]. 4. FITS MIL-C-17 AND EQUIVALENT CABLES. 042309
NOTES: CAD FILE
DWG TITLE PE4644 FSCM NO. 53919
© 2013 Pasternack Enterprises All Rights Reserved PE4644 REV 01 3

