Page 2268 - 1.0/2.3 to SHV RF Connector Datasheets
P. 2268

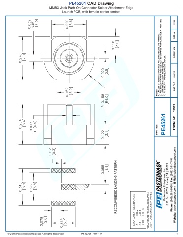
PE45261 CAD Drawing
                                  MMBX Jack Push-On Connector Solder Attachment Edge
                                          Launch PCB, with female center contact



























































































                                                       PE45261  REV 1.0                                                4
   2263   2264   2265   2266   2267   2268   2269   2270   2271   2272   2273