Page 2298 - 1.0/2.3 to SHV RF Connector Datasheets
P. 2298

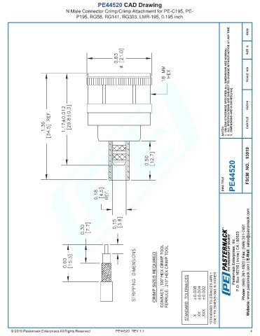
PE44520 CAD Drawing
                                N Male Connector Crimp/Crimp Attachment for PE-C195, PE-
                                     P195, RG58, RG141, RG303, LMR-195, 0.195 inch



























































































                                                       PE44520  REV 1.1                                                4
   2293   2294   2295   2296   2297   2298   2299   2300   2301   2302   2303