Page 2750 - 1.0/2.3 to SHV RF Connector Datasheets
P. 2750

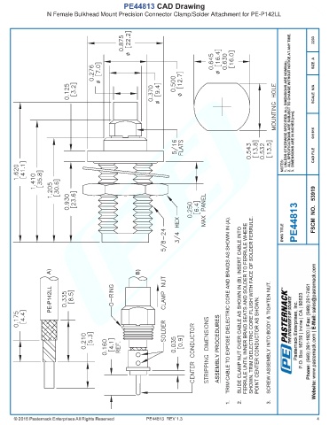
PE44813 CAD Drawing
                   N Female Bulkhead Mount Precision Connector Clamp/Solder Attachment for PE-P142LL





























































































                                                       PE44813  REV 1.3                                                4
   2745   2746   2747   2748   2749   2750   2751   2752   2753   2754   2755