Page 2752 - 1.0/2.3 to SHV RF Connector Datasheets
P. 2752

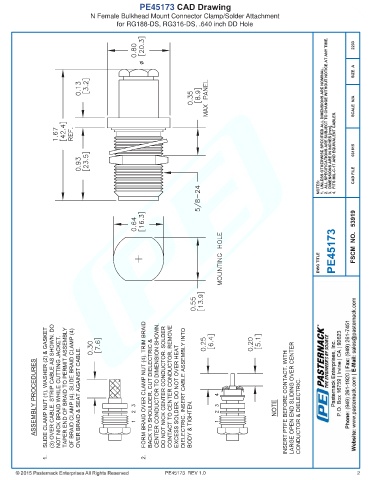
PE45173 CAD Drawing
                               N Female Bulkhead Mount Connector Clamp/Solder Attachment
                                        for RG188-DS, RG316-DS, .640 inch DD Hole



























































































                                                       PE45173  REV 1.0                                                2
   2747   2748   2749   2750   2751   2752   2753   2754   2755   2756   2757