Page 2781 - 1.0/2.3 to SHV RF Connector Datasheets
P. 2781
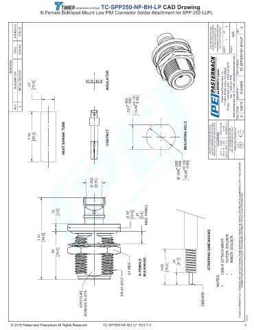
TC-SPP250-NF-BH-LP CAD Drawing
N Female Bulkhead Mount Low PIM Connector Solder Attachment for SPP-250-LLPL
APPROVED S.ELLIS THE INFORMATION AND DESIGN IN THIS DOCUMENT IS THE PROPERTY OF PASTERNACK CORPORATION. ALL RIGHTS RESERVED. 1 1 N/A REV A
DATE 03/05/19 SHEET OF SCALE TC-SPP250-NF-BH-LP
REVISIONS PART NUMBER
DESCRIPTION INITIAL RELEASE .47 12.0 INSULATOR Pasternack Enterprises, Inc. P.O.Box 16759, Irvine, CA 92623. Phone: 1.949.261.1920 │ 1.866.727.8376 Fax: 1.949.261.7451 www.pasternack.com │ e-mail: sales@pasternack.com K.DANG
.531 +.005 -.000 13.49 +0.13 0.00 DRAWN BY
REV. A CAGE SIZE 53919 A
HEAT SHRINK TUBE UNLESS OTHERWISE SPECIFIED LEADING DIMENSIONS ARE INCHES DIMENSIONS IN [ ] ARE MILLIMETERS TOLERANCES: ALL DIMENSIONS SHOWN ARE FOR REFERENCE ONLY. THIRD-ANGLE PROJECTION
FRACTIONS ± 1/32 ANGLES ± 1°
1.18 30.0 CONTACT MOUNTING HOLE
.2 [5.08] .X=± .01 [ .25 ] .XX=± .005 [ .13 ] .XXX=±
.628 +.005 -.000 15.95 +0.13 0.00
.262 6.65 Ø
.12 2.9 .87 MAX. PANEL
22.0 .21 5.4
1.34 34.0 THESE COMMODITIES, TECHNOLOGY OR SOFTWARE WERE EXPORTED FROM THE UNITED STATES IN ACCORDANCE WITH THE EXPORT ADMINISTRATION REGULATIONS. DIVERSION CONTRARY TO U.S. LAW PROHIBITED.
OUTER: SOLDER. INNER: SOLDER.
.79 20.0 STRIPPING DIMENSIONS
CABLE ATTACHMENT:
.24 6.1
3/4 HEX N FEMALE BULKHEAD 3.00 76.2 • •
5/8-24 UNEF NOTES: 1.
.528 [13.40]
ACROSS FLATS
DEBURR
Pasternack does not make
any representation or warranty regarding the suitability of the part described herein for any particular purpose, and Pasternack does not assume any liability arising out of the use of any part or documentation. -
T-Rev.B
TC-SPP250-NF-BH-LP REV 1.0 4

