Page 1895 - RF Adapter Datasheets
P. 1895

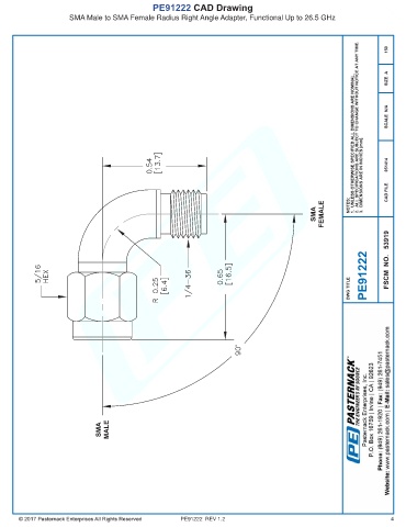
PE91222 CAD Drawing
                      SMA Male to SMA Female Radius Right Angle Adapter, Functional Up to 26.5 GHz





























































































                                                       PE91222  REV 1.2                                                4
   1890   1891   1892   1893   1894   1895   1896   1897   1898   1899   1900