Page 1933 - RF Adapter Datasheets
P. 1933
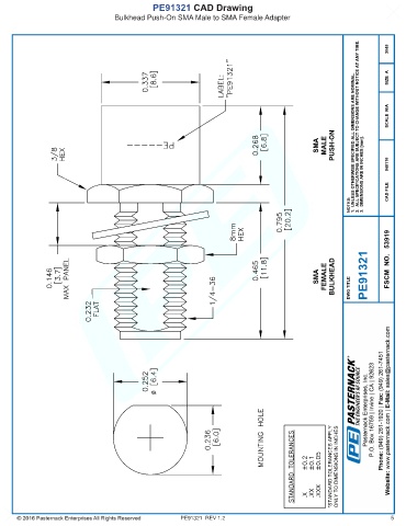
PE91321 CAD Drawing
Bulkhead Push-On SMA Male to SMA Female Adapter
2. ALL SPECIFICATIONS ARE SUBJECT TO CHANGE WITHOUT NOTICE AT ANY TIME.
3045
SIZE A
SCALE N/A
SMA MALE PUSH-ON 1. UNLESS OTHERWISE SPECIFIED ALL DIMENSIONS ARE NOMINAL. 3. DIMENSIONS ARE IN INCHES [mm]. 040116
NOTES: CAD FILE
SMA FEMALE BULKHEAD DWG TITLE PE91321 FSCM NO. 53919
*STANDARD TOLERANCES APPLY ONLY TO DIMENSIONS IN INCHES
PE91321 REV 1.2 5

