Page 1363 - BNC to N RF Cable Assembly Datasheets
P. 1363

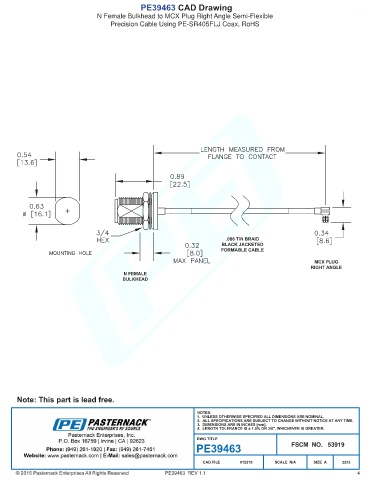
PE39463 CAD Drawing
                                 N Female Bulkhead to MCX Plug Right Angle Semi-Flexible
                                     Precision Cable Using PE-SR405FLJ Coax, RoHS



























































































                                                       PE39463  REV 1.1                                                4
   1358   1359   1360   1361   1362   1363   1364   1365   1366   1367   1368