Page 1359 - BNC to N RF Cable Assembly Datasheets
P. 1359

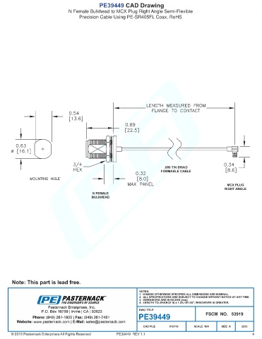
PE39449 CAD Drawing
                                 N Female Bulkhead to MCX Plug Right Angle Semi-Flexible
                                      Precision Cable Using PE-SR405FL Coax, RoHS



























































































                                                       PE39449  REV 1.1                                                4
   1354   1355   1356   1357   1358   1359   1360   1361   1362   1363   1364