Page 1355 - BNC to N RF Cable Assembly Datasheets
P. 1355

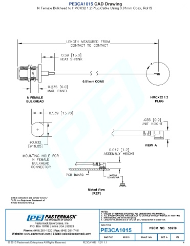
PE3CA1015 CAD Drawing
                         N Female Bulkhead to HMCX32 1.2 Plug Cable Using 0.81mm Coax, RoHS





























































































                                                      PE3CA1015  REV 1.1                                               4
   1350   1351   1352   1353   1354   1355   1356   1357   1358   1359   1360