Page 1212 - 1.0/2.3 to SHV RF Connector Datasheets
P. 1212
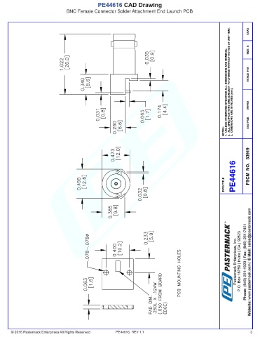
PE44616 CAD Drawing
BNC Female Connector Solder Attachment End Launch PCB
2. ALL SPECIFICATIONS ARE SUBJECT TO CHANGE WITHOUT NOTICE AT ANY TIME.
XXXX
SIZE A
1. UNLESS OTHERWISE SPECIFIED ALL DIMENSIONS ARE NOMINAL.
SCALE N/A
3. DIMENSIONS ARE IN INCHES [mm]. 060405
NOTES: CAD FILE
PE44616 FSCM NO. 53919
DWG TITLE
PE44616 REV 1.1 3

