Page 1215 - 1.0/2.3 to SHV RF Connector Datasheets
P. 1215

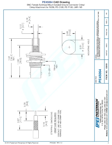
PE45064 CAD Drawing
                              BNC Female Bulkhead Mount Isolated Ground Connector Crimp/
                                 Crimp Attachment for RG58, PE-C195, PE-P195, LMR-195



























































































      © 2014 Pasternack Enterprises All Rights Reserved  PE45064  REV 1.0                                              3
   1210   1211   1212   1213   1214   1215   1216   1217   1218   1219   1220