Page 2672 - 1.0/2.3 to SHV RF Connector Datasheets
P. 2672
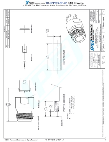
TC-SPP375-NF-LP CAD Drawing
N Female Low PIM Connector Solder Attachment for SPO-375, SPF-375
APPROVED S.ELLIS THE INFORMATION AND DESIGN IN THIS DOCUMENT IS THE PROPERTY OF PASTERNACK CORPORATION. ALL RIGHTS RESERVED. 1 1 N/A REV A
DATE 03/05/19 SHEET OF SCALE TC-SPP375-NF-LP
REVISIONS INSULATOR .59 15.0 PART NUMBER
DESCRIPTION INITIAL RELEASE Pasternack Enterprises, Inc. P.O.Box 16759, Irvine, CA 92623. Phone: 1.949.261.1920 │ 1.866.727.8376 Fax: 1.949.261.7451 www.pasternack.com │ e-mail: sales@pasternack.com DRAWN BY K.DANG
REV. A CAGE SIZE 53919 A
HEAT SHRINK TUBE UNLESS OTHERWISE SPECIFIED LEADING DIMENSIONS ARE INCHES DIMENSIONS IN [ ] ARE MILLIMETERS TOLERANCES: .2 [5.08] .X=± .01 [ .25 ] .XX=± .005 [ .13 ] .XXX=± ALL DIMENSIONS SHOWN ARE FOR REFERENCE ONLY. THIRD-ANGLE PROJECTION
CONTACT 1.97 50.0 FRACTIONS ± 1/32 ANGLES ± 1°
.382 9.70
16mm FLATS
N FEMALE STRIPPING DIMENSIONS OUTER: SOLDER. INNER: SOLDER. THESE COMMODITIES, TECHNOLOGY OR SOFTWARE WERE EXPORTED FROM THE UNITED STATES IN ACCORDANCE WITH THE EXPORT ADMINISTRATION REGULATIONS. DIVERSION CONTRARY TO U.S. LAW PROHIBITED.
1.26 32.0 REF .28 7.0 CABLE ATTACHMENT:
.67 17.0
• •
NOTES:
1.
5/8-24 UNEF-2A DEBURR -
Pasternack does not make
any representation or warranty regarding the suitability of the part described herein for any particular purpose, and Pasternack does not assume any liability arising out of the use of any part or documentation.
T-Rev.B
TC-SPP375-NF-LP REV 1.0 4

