Page 2675 - 1.0/2.3 to SHV RF Connector Datasheets
P. 2675
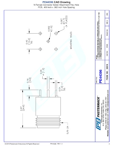
PE44396 CAD Drawing
N Female Connector Solder Attachment Thru Hole
PCB, .400 inch x .062 inch Hole Spacing
2. ALL SPECIFICATIONS ARE SUBJECT TO CHANGE WITHOUT NOTICE AT ANY TIME.
2233
SIZE A
1. UNLESS OTHERWISE SPECIFIED ALL DIMENSIONS ARE NOMINAL.
SCALE N/A
3. DIMENSIONS ARE IN INCHES [mm]. 4. FITS MIL-C-17 AND EQUIVALENT CABLES. 072403
NOTES: CAD FILE
PE44396 FSCM NO. 53919
DWG TITLE
PE44396 REV 1.1 3

