Page 2854 - 1.0/2.3 to SHV RF Connector Datasheets
P. 2854
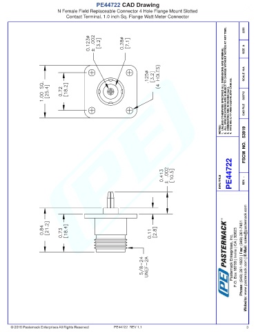
PE44722 CAD Drawing
N Female Field Replaceable Connector 4 Hole Flange Mount Slotted
Contact Terminal, 1.0 inch Sq. Flange Watt Meter Connector
2233
2. ALL SPECIFICATIONS ARE SUBJECT TO CHANGE WITHOUT NOTICE AT ANY TIME.
SIZE A
1. UNLESS OTHERWISE SPECIFIED ALL DIMENSIONS ARE NOMINAL.
SCALE N/A
3. DIMENSIONS ARE IN INCHES [mm]. 4. FITS MIL-C-17 AND EQUIVALENT CABLES. 020712 CAD FILE
NOTES:
FSCM NO. 53919
PE44722
DWG TITLE REV. -
PE44722 REV 1.1 3

