Page 2868 - 1.0/2.3 to SHV RF Connector Datasheets
P. 2868
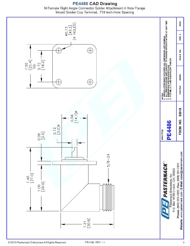
PE4486 CAD Drawing
N Female Right Angle Connector Solder Attachment 4 Hole Flange
Mount Solder Cup Terminal, .718 inch Hole Spacing
2. ALL SPECIFICATIONS ARE SUBJECT TO CHANGE WITHOUT NOTICE AT ANY TIME.
XXXX
SIZE A
1. UNLESS OTHERWISE SPECIFIED ALL DIMENSIONS ARE NOMINAL.
SCALE N/A
3. DIMENSIONS ARE IN INCHES [mm]. 4. FITS MIL-C-17 AND EQUIVALENT CABLES. 052202
NOTES: CAD FILE
DWG TITLE PE4486 FSCM NO. 53919
PE4486 REV 1.1 3

